Hãy tưởng tượng bạn đang bước vào một phòng gym hiện đại ở Mumbai, nơi những chiếc máy chạy bộ hoạt động không ngừng, mang lại trải nghiệm tập luyện mượt mà cho hàng trăm người mỗi ngày. Hoặc có thể bạn đang ở một bệnh viện, nơi máy chạy bộ được dùng để kiểm tra sức khỏe với độ chính xác cao. Những thiết bị này không chỉ đơn giản là một băng tải – chúng là kết tinh của công nghệ, trong đó biến tần GD20 của INVT đóng vai trò quan trọng, mang lại sự ổn định, bền bỉ và hiệu suất vượt trội. Hãy cùng tôi khám phá câu chuyện về cách GD20 đã thay đổi cách máy chạy bộ vận hành, từ những hạn chế của công nghệ cũ đến giải pháp hiện đại giúp nâng tầm trải nghiệm người dùng.
1. Giới thiệu
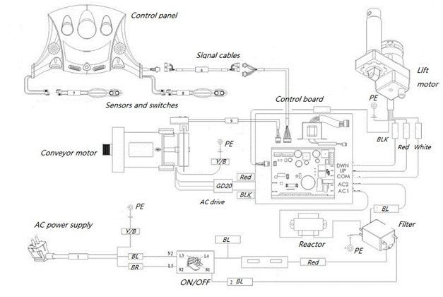
Máy chạy bộ từ lâu đã trở thành thiết bị quen thuộc trong các phòng gym, trung tâm thể hình, và cả bệnh viện. Với hệ thống băng tải được điều khiển bởi động cơ, người dùng có thể dễ dàng đi bộ hoặc chạy với tốc độ tùy chỉnh, trải nghiệm các điều kiện như đường bằng, lên dốc, hay thay đổi tốc độ để đạt mục tiêu tập luyện. Nhưng không phải lúc nào mọi thứ cũng suôn sẻ. Trước đây, máy chạy bộ thường sử dụng động cơ DC chổi than, vốn có nhiều nhược điểm: bộ chổi than và cổ góp dễ hỏng, chi phí bảo trì cao, và mô-men xoắn yếu ở tốc độ thấp. Để khắc phục, các nhà sản xuất đã chuyển sang sử dụng động cơ AC kết hợp với biến tần, và đây là nơi INVT GD20 tỏa sáng.
Biến tần GD20 là dòng sản phẩm vector mini đa năng, được thiết kế cho các ứng dụng công suất nhỏ nhưng yêu cầu hiệu suất cao. Với thuật toán điều khiển vector tiên tiến theo tiêu chuẩn quốc tế, GD20 không chỉ phù hợp cho máy chạy bộ mà còn được ứng dụng rộng rãi trong ngành nhựa, in ấn, thiết bị môi trường, gốm sứ, và chế biến gỗ. Các tính năng nổi bật của GD20 bao gồm:
- Nguồn 1 pha 220V: Công suất từ 0.4kW đến 2.2kW.
- Nguồn 3 pha 380V: Công suất từ 0.75kW đến 2.2kW.
- Hỗ trợ lắp tường hoặc gắn ray, tiết kiệm không gian.
- Điều khiển vector không cảm biến, đảm bảo hiệu suất cao.
- Tích hợp bộ hãm, cổng HDI/Y1, và giao diện RS485 tiêu chuẩn.
- Thiết kế mini, nhỏ gọn, phù hợp cho không gian hạn chế.
- Tích hợp đến 25 chế độ bảo vệ lỗi: quá mô-men, quá dòng, quá áp, thấp áp, quá nhiệt, mất pha, v.v.
2. Cách máy chạy bộ hoạt động
Máy chạy bộ hiện đại là sự kết hợp tinh tế giữa cơ khí và điện tử, với biến tần GD20 đóng vai trò trung tâm trong việc điều khiển động cơ băng tải. Một máy chạy bộ điển hình có hai động cơ: một cho chức năng nâng độ dốc và một cho băng tải. Biến tần GD20 được sử dụng để điều khiển động cơ băng tải, mang lại khả năng phản ứng tức thời với từng bước chân, vận hành êm ái ở mọi tốc độ, và mô-men khởi động cao. Cụ thể, hệ thống hoạt động như sau:
- Động cơ băng tải được điều khiển bởi GD20, trong khi động cơ nâng độ dốc hoạt động độc lập.
- Biến tần nhận lệnh khởi động/dừng qua cổng S1 và 24V, với cổng PW và COM được nối tắt. Tần số được điều chỉnh thông qua tín hiệu analog tại AI2 và COM.
- Tần số của GD20 được đặt dựa trên vận tốc (km/h), tính toán tốc độ vòng quay thông qua điện áp tham chiếu tại đầu vào analog.

3. Thông tin hiện trường và cấu hình biến tần
Để minh họa sức mạnh của GD20, hãy cùng nhìn vào trường hợp thực tế tại Health and Fitness, một công ty sản xuất thiết bị thể hình tại Mumbai, Ấn Độ. Thành lập năm 2000, công ty này sở hữu nhà xưởng 1500 ft² và sản xuất khoảng 40 máy chạy bộ mỗi tháng, phục vụ cả phòng gym và bệnh viện. Với sự hỗ trợ của INVT, họ đã tích hợp biến tần GD20 vào các sản phẩm của mình, mang lại hiệu suất vượt trội.
Bảng dưới đây liệt kê các ứng dụng và cấu hình biến tần INVT tại Health and Fitness:
| Ứng dụng | Điện áp | Công suất | Mã biến tần INVT |
|---|---|---|---|
| Máy chạy bộ (bệnh viện) | 230V | 1.5kW | GD20-1R5G-S2 |
| GYM | 230V | 2.2kW | GD20-2R2G-S2 |
Để đảm bảo vận hành tối ưu, các thông số cài đặt cho biến tần GD20 được thiết lập như sau:
| Mã chức năng | Tên thông số | Mô tả | Giá trị cài đặt |
|---|---|---|---|
| P00.00 | Chế độ điều khiển | 0: V/F, 1: Vector không cảm biến, 2: Mô-men | 1 |
| P00.01 | Nguồn lệnh chạy | 0: Bàn phím, 1: Cổng, 2: Truyền thông | 1 |
| P00.03 | Tần số tối đa | 10.00~400.00Hz | 110.00Hz |
| P00.04 | Giới hạn tần số trên | Từ P00.05 đến P00.03 | 110.00Hz |
| P00.06 | Nguồn lệnh tần số A | 0: Bàn phím, 1: AI1, 2: AI2,… | 2 |
| P00.11 | Thời gian tăng tốc 0 | 0.1~3600.0s | 5.0s |
| P00.12 | Thời gian giảm tốc 0 | 0.1~3600.0s | 5.0s |
| P00.14 | Tần số sóng mang | 1.0~15.0kHz | 15kHz |
| P02.01 | Công suất định mức động cơ | 0.4~900.0kW | 3.7 |
| P02.02 | Tần số định mức động cơ | 0.01Hz~P0.03 | 50.00Hz |
| P02.03 | Tốc độ định mức động cơ | 0~36000rpm | 960 |
| P02.04 | Điện áp định mức động cơ | 0~800V | 415 |
| P02.05 | Dòng điện định mức động cơ | 0.8~6000.0A | 8.8 |
| P03.00 | Hệ số tỉ lệ ASR Kp1 | 0~100 | 10 |
| P03.03 | Hệ số tỉ lệ ASR Kp2 | 0~100 | 10 |
| P5.01 | Chức năng cổng S1 | 1: Chạy thuận | 1 |
| P5.02 | Chức năng cổng S2 | 2: Chạy ngược | 2 |
| P05.39 | Giới hạn trên của AI2 | Từ P05.37 ~ 10.00V | 5 |
| P08.40 | Chế độ PWM | 0: PWM 1, 1: PWM 2 | 0 |
Sau khi áp dụng các thông số này, biến tần GD20 đã vận hành ổn định liên tục trong 3 tháng, mang lại hiệu suất đáng tin cậy và không gặp sự cố.

4. Kết luận
Biến tần GD20 của INVT đã chứng minh được sức mạnh trong ứng dụng máy chạy bộ, mang lại hiệu suất điều khiển ổn định, vận hành mượt mà, và độ bền vượt trội. Từ phòng gym đến bệnh viện, GD20 không chỉ giúp cải thiện trải nghiệm người dùng mà còn giảm chi phí bảo trì so với động cơ DC chổi than truyền thống. Cả hai đối tác OEM của Health and Fitness đều bày tỏ sự hài lòng với hiệu suất của GD20, minh chứng cho sự tin cậy của giải pháp này. Với thiết kế nhỏ gọn, khả năng tích hợp linh hoạt, và 25 chế độ bảo vệ lỗi, GD20 là lựa chọn lý tưởng cho các nhà sản xuất thiết bị thể hình muốn nâng tầm sản phẩm của mình.
Tài liệu tham khảo
[1] Sách hướng dẫn vận hành biến tần INVT GD20 – Công ty TNHH Điện INVT Thâm Quyến